首页 > 裝修案例 > 暖系简欧,给你的家温暖的感觉!

暖系简欧,给你的家温暖的感觉!

风格:现代简约 面积:235m² 户型:跃层/复式 小区: 阳光花苑
业主需求
暖系简欧,给你的家温暖的感觉!-业主需求 暖系简欧,给你的家温暖的感觉!-业主需求
本案为简欧风格,在现在急速的生活中,刚毅的线条无时无刻不在鞭笞着我们,家是温暖的港湾,是放缓与游戏的重要地点,简欧并不会带来特别沉重的感觉,反而给了业主家的温馨与舒适。一层,户型方正,空间结构合理。二层,超大的阳台,大面积窗口,使得采光无比充足。
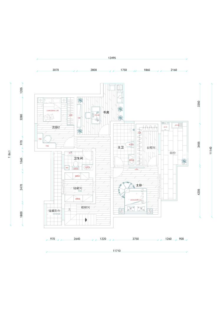
平面布置图
暖系简欧,给你的家温暖的感觉!-平面布置图 暖系简欧,给你的家温暖的感觉!-平面布置图
一层,改变了老人房的开门位置,避免直冲入户门。拆出了北阳台隔墙,增大了厨房阳台。对于厨房拆除与新建了一些墙体,扩大啦厨房面积,也使客餐厅完整。二层,将储藏间南北双墙打通,使动线畅通。
空间效果图
暖系简欧,给你的家温暖的感觉!-空间效果图 暖系简欧,给你的家温暖的感觉!-空间效果图
电视背景墙采用大理石上墙,大理石质感光洁,纹路自然质朴,很显简洁大气;在灯光下另有一种烨烨生辉的感觉。客厅有的不只是豪华大气,更多的是惬意和浪漫。通过完美的典线,精益求精的细节处理,带给家人不尽的舒服触感。
暖系简欧,给你的家温暖的感觉!-空间效果图
餐厅装修效果也会直接影响人们的用餐心情,在装修上营造出温馨浪漫的生活情调,同时在设计上也体现出主人内在的气质。
暖系简欧,给你的家温暖的感觉!-空间效果图
摒弃了原始欧式的厚重的装饰,采用现代简洁干练的装饰,暖色的灯光打在温和的家具上,空间呈现温馨的氛围。
暖系简欧,给你的家温暖的感觉!-空间效果图
欧式玄关在造型设计上比较独特,具有装饰效果,又有收纳作用,提升了整个空间,让空间在视觉效果上更加的奢华典雅。温馨,也让家从门厅开始有了温暖的质感。
#  现代简约  235m²  跃层/复式  效果图  #
121
不喜欢
猜你喜欢
关闭
按此效果装修多少钱?
电话咨询 在线咨询 算算我家报价
按此效果装修多少钱?
按此效果装修多少钱?
按此效果装修多少钱?
按此效果装修多少钱?
更多相似风格效果
按此效果装修多少钱?
更多相似风格效果
按此效果装修多少钱?
更多相似风格效果
按此效果装修多少钱?
更多相似风格效果
按此效果装修多少钱?
更多相似风格效果
按此效果装修多少钱?